Antriebskomponenten für Förderbänder
Antriebskomponenten für Becherwerke
Freiläufe als Überholfreiläufe
für das automatische Zu- und Abkuppeln von Haupt- und Hilfsantrieb
Rücklaufsperren für Förderbänder und Becherwerke
Schnell laufende Rücklaufsperren
- Schnell laufende Rücklaufsperren werden auf der zweiten oder ersten Untersetzungswelle von Getrieben angebaut und verhindern ein Rückwärtslaufen von Förderbändern oder Becherwerken.
- Sie sind mit Klemmstückabhebung X ausgestattet, die für einen verschleißfreien Leerlaufbetrieb sorgt, wenn sich die Rücklaufsperre mit der Getriebewelle schnell dreht. In diesem Betriebszustand arbeitet die Rücklaufsperre verschleißfrei, also mit unbegrenzter Gebrauchsdauer.
- Wartungsfrei
- Preiswert
Schnell laufende Rücklaufsperren mit Drehmomentbegrenzung
- Schnell laufende Rücklaufsperren mit Drehmomentbegrenzung werden in Förderbandanlagen mit Mehrfachantrieben eingesetzt und verhindern ein Rückwärtslaufen von Förderbändern.
- Sie lösen das Problem der ungleichen Lastverteilung bei Mehrmotorenantrieben.
- Sie sind mit Klemmstückabhebung X ausgestattet, die für einen verschleißfreien Leerlaufbetrieb sorgt, wenn sich die Rücklaufsperre mit der Getriebewelle schnell dreht. In diesem Betriebszustand arbeitet die Rücklaufsperre verschleißfrei, also mit unbegrenzter Gebrauchsdauer.
- Wartungsfrei
- Die eingebauten Drehmomentbegrenzer schützen Getriebe und Rücklaufsperren vor Überlast durch dynamische Drehmomentspitzen.
- Es können kleiner dimensionierte Getriebe ohne Einbuße an Sicherheit verwendet werden.
- Baureihe mit oder ohne steuerbarer Löseeinrichtung verfügbar
- Preiswert
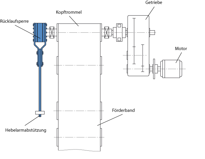
Langsam laufende Rücklaufsperren
- Langsam laufende Rücklaufsperren werden an Wellen von Förderbandtrommeln oder Abtriebswellen von Getrieben angebaut und verhindern ein Rückwärtslaufen von Förderbändern oder Becherwerken.
- Taconite-Abdichtungen machen die Rücklaufsperre widerstandsfähig gegen Verschmutzung.
- Langsam laufende Rücklaufsperren ermöglichen das Wegnehmen der Antriebseinheit bei beladenem Förderband.
Antriebskomponenten für Schaufelradbagger und für Haldenschütt- und Rückladegeräte
Schrumpfscheiben
- zur Verbindung von Antriebseinheiten mit Hohlwellen mit Wellen von Schaufelrädern
- zur Verbindung von Getriebehohlwellen mit Förderbandtrommelwellen
Konus-Spannelemente
- zur Verbindung von Förderbandtrommeln mit Wellen
- zur Verbindung von Maschinenelementen mit Wellen
Hydraulische Bremsen
- in Förderbandantrieben
- in Hebeantrieben
- in Schwenkantrieben
- in Schaufelradantrieben
- in Fahrwerksantrieben









